EMUL系列高剪切乳化机是本企业吸取消化国外技术和工艺研制开发生产的新产品。高剪切乳化机搅拌头结构,集分散、溶解、乳化、粉碎四大功能于一-体, 能有效地为您解决各种混合难题。转子与定子的精密配合,确保了被加工物料每分钟受到几十万次的高速剪切,这是本设备成功的关键。是取代胶体磨、球蘑机、均质机的理想设备。
EMUL系列高剪切乳化机是本企业吸取消化国外技术和工艺研制开发生产的新产品,各项指标达到国内水平。产品质量符合GMP技术要求IS09001认证产品,是食品、饮料、化工、生化、石化,颜料、染料、涂料、制药等领域必不可少乳化均质机械设备,对油包水和水包油物料的乳化和均质有较好的效果。企业生产的EMUL系列高剪切乳化机总体结构简单、体积小、重量轻、易操作、噪音低及运转平稳诸优点,其具有大特点在生产工艺流程中不采用研磨介质,集高速剪切、分散、乳均、均质、混合、破碎,输送于一体,为企业提高工作效率,节省每个乳化均质过程所需的时间。
应用范围:
化学工业:油漆、颜料、染料、涂料、润滑油、合成脂、润滑脂、柴油、石油催化剂、乳化沥青、改性沥青、石腊、胶粘剂、洗涤剂、塑料、炸药、玻璃钢、合成革、树脂、塑料、皮革及乳化炸药等。
食品工业:辣椒酱、芝麻、果茶、冰淇淋、奶油、果酱、果汁、大豆、豆酱、豆沙、花生奶、蛋白奶、豆奶、乳制品,麦乳精、香精、调味品、各种食品饮料等。
医药工业:各型糖浆、营养液、中成药、膏状药剂、生物制剂、鱼肝油、花粉、蜂皇浆、疫苗、各种药膏、各种口服液、杀菌剂、针剂、抗菌素、微胶囊及静滴液等。
日用化工:牙膏、洗涤剂、面霜、唇膏、洗面奶、洗发精、鞋油、化妆品、沐浴精、肥皂、混疑剂、香料及香脂等。
造纸工业:纸浆、胶黏剂、松香乳化、造纸助剂、树脂乳化等。
建筑工业:各种涂料。包括内外墙涂料、防腐防水涂料、冷瓷涂料、多彩涂料、陶瓷釉料、纳米涂料及喷涂等。
其它工业:纺织工业、煤炭浮选剂、稀土、纳米材料分散解聚、反应萃取及军工等领域。
农药工业:杀菌剂、种衣剂、除草剂、农药乳油、化肥、生化农药、生物农药等
高剪切乳化机的特征:
●适用于常压、密闭工况
●适用温度:-40℃~140℃,超出温度范围需要定制
●适用于分散、乳化、均质、溶解
●电源:380V、50/60Hz
●接触物料材料:304/316L,特殊材料需要定制
●轴套材料:铜/PTFE,特殊材料需要定制
●密封形式:骨架密封
●可选配工作头:F5、F6、F7、F8
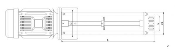
高剪切乳化机的主要参数和尺寸
型号 | 功率KW | 转速 rpm | 处理量L | D | D1 | P | L | M |
EMUL 90 | 1.5 | 2900 | 5-50 | 80 | 140 | 200 | 355 | 165 |
EMUL 100 | 2.2 | 2900 | 50-100 | 88 | 145 | 200 | 650 | 165 |
EMUL 120 | 4 | 2900 | 100-300 | 120 | 180 | 250 | 750 | 215 |
EMUL 140 | 7.5 | 2900 | 200-800 | 140 | 210 | 300 | 900 | 265 |
EMUL 160 | 11 | 2900 | 300-1000 | 160 | 230 | 350 | 1050 | 300 |
EMUL 180 | 18.5 | 2900 | 500-1500 | 180 | 260 | 350 | 1200 | 300 |
EMUL 200 | 22 | 1450 | 800-2000 | 200 | 270 | 350 | 1200 | 300 |
EMUL 220 | 30 | 1450 | 1000-3000 | 240 | 320 | 400 | 1355 | 350 |
EMUL 240 | 37 | 1450 | 1500-5000 | 260 | 340 | 400 | 1395 | 350 |
